Prüfanleitung und
Systembeschreibung der
Bosch-L-Jetronic
Allgemeine Hinweise:
|
|
1) Motor nie ohne fest angeschlossene Batterie
starten. |
Die hier dargestellte Prüfanleitung für die L-Jetronic bezieht sich auf die Opel-Motoren 19E, 20E, 25E und 30E. Wahrscheinlich ist diese Prüfanleitung auch für Motoren mit L-Jetronic anderer Hersteller in den Grundzügen ähnlich, die Sollwerte, Pinbelegungen der Bauteile sowie die Prüfschritte können aber abweichen.
Die L-Jetronic
Die Serienreife erreichte die Bosch-L-Jetronic 1973. Gegenüber der älteren, druckgesteuerten D-Jetronic wird bei der moderneren L-Jetronic die angesaugte Luftmenge ohne Umweg über Druck und Temperatur direkt gemessen und als Steuergröße vom Steuergerät verarbeitet.
Diese direkte Luftmengenmessung ist sehr genau und kann Änderungen der Motorlast und damit der Ansaugluftmenge sehr schnell in eine adäquate Kraftstoffzumessung umsetzen.
Neben guter Motorleistung und gutem Ansprechverhalten auf Lastwechsel ergibt sich ein sparsamer Kraftstoffverbrauch und bietet darüber hinaus die Möglichkeit effektiver Abgasentgiftung.
Das Motorsteuergerät konnte im Vergleich zur D-Jetronic wesentlich verkleinert werden, weil viele Halbleiterbauteile in integrierten Schaltungen zusammengefaßt werden konnten.
Elektrischer Leitungsplan und Anordnung der einzelnen Aggregate
Manta A 19E:

| Nummer | Komponente | Nummer | Komponente |
| 1 2 3 4 5 6 7 8 9 |
Steuergerät Luftmengenmesser Drosselklappenschalter Temperaturfühler II Zusatzluftschieber Einspritzventile Vorwiderstände Elektrostartventil Thermozeitschalter |
10 |
Relaiskombination Zündverteiler Zündspule Kabelbaum (Jetronic) Fahrzeugkabelbaum Batterie Pumpensicherung Zentralmasse |
Manta B 19E:

| Nummer | Komponente | Nummer | Komponente |
| 1 2 3 4 5 6 7 8 9 |
Steuergerät Batterie Steckverbindung zum Doppelrelais Kaltstartventil Zentralmasse Einspritzventile Temperaturfühler II Zusatzluftschieber Drosselklappenschalter |
10 |
Thermozeitschalter Relaiskombination Vorwiderstände Luftmengenmesser Anlasser Zündspule Zündverteiler Anschluß Fahrzeugkabelbaum |
Rekord E 20E bis Januar 1981:

| Nummer | Komponente | Nummer | Komponente |
| 1 2 3 4 5 6 7 |
Vorwiderstände Relaiskombination Einspritzventile Drosselklappenschalter Luftmengenmesser Zusatzluftschieber Temperaturfühler |
8 |
Zündverteiler Zündspule Batterie Kabelbaum (Jetronic) Fahrzeugkabelbaum Steuergerät Steckverbindung Kl. 1 zur Zündspule |
Commodore C 25E sowie Senator A / Monza A 25E bis Modelljahr 1984 und 30E bis Januar 1983

| Nummer | Komponente | Nummer | Komponente |
| 1 2 3 4 5 6 7 |
Vorwiderstände Relaiskombination Einspritzventile Drosselklappenschalter Luftmengenmesser Zusatzluftschieber Temperaturfühler II |
8 |
Zündverteiler Zündspule Batterie Kabelbaum (Jetronic) Fahrzeugkabelbaum Steuergerät Steckverbindung Kl. 1 zur Zündspule |
Elektrischer Schaltplan Einspritzanlage Manta A / Manta B 19E:

| Nummer | Komponente | Nummer | Komponente |
| 1 2 3 4 5 6 7 8 9 |
Steckerleiste Zündspule Drosselklappenschalter Zusatzluftschieber Kaltstartventil Thermozeitschalter Pumpensicherung Kraftstoffpumpe Batterie |
10 |
Relaiskombination Vorwiderstände Einspritzventil Einspritzventil Einspritzventil Einspritzventil Luftmengenmesser Temperaturfühler Masse |
Elektrischer Schaltplan Einspritzanlage Rekord E1 20E:

Elektrischer Schaltplan Einspritzanlage Commodore C 25E / Senator A 30E / Monza A 30E:

| Nummer | Komponente | Nummer | Komponente |
| 1 2 3 4 |
Drosselklappenschalter Luftmengenmesser Zusatzluftschieber Relaiskombination |
5 |
Vorwiderstände Einspritzventile Temperaturfühler II Zentralmasse |
Prüfung der L-Jetronic mit Prüflampe und Ohmmeter
Zur Prüfung der L-Jetronic sind folgende Geräte notwendig:
1) Prüflampe 12V mit handelsüblichen Prüfspitzen oder Voltmeter,
Anzeigebereich 0 - 20 V
2) Ohmmeter, Anzeigebereich 0 - 5.000 Ohm
3) Drehzahlmesser
Zum Prüfen des Kabelbaumes und der Informationsgeber im Motorraum ist der Kabelbaumstecker vom Steuergerät zu trennen. Dazu braucht das Steuergerät nicht ausgebaut zu werden.
Da die Kontaktklemmen der Steckerleiste nicht gekennzeichnet sind, müssen bei der Prüfung die Klemmen, beginnend von Klemme 1 an, gezählt werden.
Die Klemmen 1 bis 18 sind auf der langen Steckerleiste angebracht, wobei sich die Klemme 1 auf der Kabelbaumeingangsseite befindet. Die Klemmen 19 bis 35 sind auf der etwas kürzeren Steckerleiste angebracht. Die Klemme 19 befindet sich auf der Kabelbaumeingangsseite.
Der Anschluß 11 und 12 auf der langen Steckerleiste und die Anschlüsse 19 und 21 bis 29 auf der etwas kürzeren Steckerleiste sind nicht mit Klemmen belegt.
| Prüfung | Prüfmedium | Messung zwischen | Prüfvoraussetzung | Soll-Anzeige | Bei Fehlfunktion | Bemerkung |
| Versorgungs- spannung |
Voltmeter / Prüflampe |
10 (+) und Masse Karosserie |
Zündung EIN | über 9 V |
- Doppelrelais defekt; |
| Erläuterung zum Prüfschritt |
| Prüfung | Prüfmedium | Messung zwischen | Prüfvoraussetzung | Soll-Anzeige | Bei Fehlfunktion | Bemerkung |
| Masse Einspritzanlage | Voltmeter / Prüflampe |
10 (+) und 5 (-) 10 (+) und 16 (-) 10 (+) und 17 (-) |
Zündung EIN | über 9 V |
- Anschluß |
| Erläuterung zum Prüfschritt |
|
|
| Prüfung | Prüfmedium | Messung zwischen | Prüfvoraussetzung | Soll-Anzeige | Bei Fehlfunktion | Bemerkung |
| Auslösung Einspritzimpuls |
Prüflampe | 10 (+) und 1 (-) | Anlasser kurz betätigen |
Prüflampe flackert wie Unterbrecher- kontakt |
- Unterbrechung |
| Erläuterung zum Prüfschritt |
|
|
| Prüfung | Prüfmedium | Messung zwischen | Prüfvoraussetzung | Soll-Anzeige | Bei Fehlfunktion | Bemerkung |
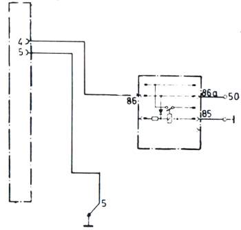
| Startsignal vom Anlasser zum Steuergerät |
Prüflampe | 4 (+) und 5 (-) | Anlasser kurz betätigen |
Prüflampe brennt |
- Unterbrechung |
Lampe darf nur so lange brennen, wie der Anlasser betätigt wird. Wenn Lampe bei "Zündung EIN" brennt, ist zu prüfen, warum Spannung an Kl. 86a anliegt. |
| Erläuterung zum Prüfschritt |
|
|
| Prüfung | Prüfmedium | Messung zwischen | Prüfvoraussetzung | Soll-Anzeige | Bei Fehlfunktion | Bemerkung |
| Relaiskombination (Pumpenteil) |
Prüflampe | 20 (+) und 5 (-) | Anlasser kurz betätigen |
Prüflampe brennt |
- Relaiskombination |
|
| Erläuterung zum Prüfschritt |
|
|
| Prüfung | Prüfmedium | Messung zwischen | Prüfvoraussetzung | Soll-Anzeige | Bei Fehlfunktion | Bemerkung |
| Zusatzluftschieber | Prüflampe | 34 (+) und 5 (-) | Anlasser kurz betätigen |
Prüflampe brennt schwach |
- Kabelbaumunter- |
|
| Erläuterung zum Prüfschritt |
|
|
| Prüfung | Prüfmedium | Messung zwischen | Prüfvoraussetzung | Soll-Anzeige | Bei Fehlfunktion | Bemerkung |
| Einspritzventile | Prüflampe | Motor
30E 14 (+) und 5 (-) 15 (+) und 5 (-) 30 (+) und 5 (-) 31 (+) und 5 (-) 32 (+) und 5 (-) 33 (+) und 5 (-) |
Zündung EIN | Prüflampe brennt |
- Unterbrechung |
|
| Motor 20E 14 (+) und 5 (-) 15 (+) und 5 (-) 32 (+) und 5 (-) 33 (+) und 5 (-) |
| Erläuterung zum Prüfschritt |
|
|
| Prüfung | Prüfmedium | Messung zwischen | Prüfvoraussetzung | Soll-Anzeige | Bei Fehlfunktion | Bemerkung |
| Luftmengenmesser | Ohmmeter | 6 und 7 6 und 8 6 und 9 8 und 9 27 und 6 |
Zündung AUS (Werte gelten für 20°C) 20E und 30E |
ca. 50 Ohm ca. 180 Ohm ca. 280 Ohm ca. 100 Ohm ca. 2200 bis 3800 Ohm |
- Unterbrechung und/ |
|
| Erläuterung zum Prüfschritt |
|
|
| Prüfung | Prüfmedium | Messung zwischen | Prüfvoraussetzung | Soll-Anzeige | Bei Fehlfunktion | Bemerkung |
| Einspritzventil und Vorwiderstand |
Ohmmeter | Motor 30E
15 und 33 Motor 20E 14 und 15 |
Zündung AUS |
15 bis 19 Ohm |
- Unterbrechung im Ventil und Vorwider- Defekte Teile ersetzen |
|
| Erläuterung zum Prüfschritt |
|
|
| Prüfung | Prüfmedium | Messung zwischen | Prüfvoraussetzung | Soll-Anzeige | Bei Fehlfunktion | Bemerkung |
| Temperaturfühler II | Ohmmeter | 13 und 5 | Zündung AUS |
Temperaturabhängig:
0°C = ca. 5.500 Ohm |
- Unterbrechung im |
|
| Erläuterung zum Prüfschritt |
|
|
| Prüfung | Prüfmedium | Messung zwischen | Prüfvoraussetzung | Soll-Anzeige | Bei Fehlfunktion | Bemerkung |
| Auslösung Leer- laufkontakt im Drosselklappen- schalter |
Ohmmeter | 2 und 18 | Zündung AUS Gaspedal in Leerlaufstellung |
0 Ohm |
- Unterbrechung im |
|
| Gaspedal betätigen | unendlich Ohm |
| Erläuterung zum Prüfschritt |
|
|
| Prüfung | Prüfmedium | Messung zwischen | Prüfvoraussetzung | Soll-Anzeige | Bei Fehlfunktion | Bemerkung |
| Auslösung Voll- lastanreicherung im Drosselklappen- schalter |
Ohmmeter | 3 und 18 | Zündung AUS Gaspedal in Leerlaufstellung |
unendlich Ohm |
- Unterbrechung im |
|
| Gaspedal ganz durchtreten |
0 Ohm |
| Erläuterung zum Prüfschritt |
|
|
| Prüfung | Prüfmedium | Messung zwischen | Prüfvoraussetzung | Soll-Anzeige | Bei Fehlfunktion | Bemerkung |
| Pumpenkontakt im Luftmengenmesser |
Prüflampe | 20 und 5 | Luftschlauch am Luftmengenmesser abziehen. Zündung EIN Stauklappe von |
Prüflampe brennt;
Pumpenlauf akustisch |
- Unterbrechung im |
Prüflampe darf bei |
| Erläuterung zum Prüfschritt |
|
|
Das Kraftstoffsystem der L-Jetronic
Das Kraftstoffsystem stellt die vom Motor benötigte Kraftstoffmenge bei jedem Betriebszustand unter Druck zur Verfügung.
Der Kraftstoff wird vom Kraftstoffbehälter von einer elektrisch angetriebenen Rollenzellenpumpe unter einem Druck von ca. 3,0 bar durch ein Filter in ein Verteilerrohr ( heutige Alternativbezeichnung: Rail) gefördert.
Von dem Verteilerrohr zweigen Leitungen zu den Einspritzventilen ab. Am Ende des Verteilerrohrs befindet sich ein Druckregler, der den Einspritzdruck konstant hält.
Im Kraftstoffsystem wird mehr Kraftstoff gefördert, als der Motor unter extremsten Bedingungen verbraucht. Der überschüssige Kraftstoff wird durch den Druckregler drucklos zum Kraftstoffbehälter zurückgeleitet.
Durch die ständige Durchspülung des Kraftstoffsystems wird dieses stets mit kühlem Kraftstoff versorgt. Dadurch wird eine Dampfblasenbildung vermieden und ein gutes Heißstartverhalten erreicht.
|
|
Auch nach dem Abstellen des Motors steht die Kraftstoffzuleitung zwischen Kraftstoffpumpe und Druckregler unter hohem Druck. Kraftstoffleitungen stets sehr vorsichtig lösen, um unkontrolliertes Verspritzen von Kraftstoff zu vermeiden. Außer der Brandgefahr bestehen erhebliche Gesundheitsgefahren, wenn Kraftstoff auf Haut, Augen und Schleimhaut einwirkt! |
Blockschema des Kraftstoffsystems
| 1 Kraftstoffbehälter 2 Kraftstoffpumpe 3 Kraftstofffilter 4 Verteilerrohr 5 Druckregler 6 Einspritzventil 7 Kaltstartsystem |
|
Kraftstoffsystem:
Rekord E1 20E:

| Nummer | Bauteil | Nummer | Bauteil |
| 1 2 3 4 |
Kraftstoffsaugleitung |
5 |
Kraftstoffdruckleitung |
Senator/Monza A1 25E / 30E

| Nummer | Bauteil | Nummer | Bauteil |
| 1 2 3 4 |
Kraftstoffsaugleitung Kraftstoffpumpe Membrandämpfer Kraftstofffilter |
5 |
Kraftstoffdruckleitung Einspritzventil Kraftstoffdruckregler Kraftstoffrücklaufleitung |
Der Kraftstoffdruck kann mit einem speziellen Druckprüfer gemessen werden, der mittels T-Stück in die Druckleitung eingesetzt wird. Vor der Messung muß der Unterdruckschlauch vom Kraftstoffdruckregler getrennt werden.
Der korrekte Kraftstoffdruck muß bei den Motoren mit L-Jetronic 3,0 bar betragen, bei den Motoren mit LE-Jetronic 2,5 bar.
Kraftstoffpumpe
Als Kraftstoffpumpe dient eine elektrisch angetriebene Rollenzellenpumpe. Pumpe und Elektromotor befinden sich in einem gemeinsamen Gehäuse und werden vom Kraftstoff umspült. Störungsanfällige Dichtungen und Schmierprobleme werden dadurch vermieden. Gleichzeitig wird der Motor gut gekühlt.
Eine Explosionsgefahr besteht nicht, da sich in der Pumpe kein zündfähiges Gemisch befindet. Die Pumpe fördert mehr Kraftstoff als der Motor maximal benötigt, um bei allen Betriebszuständen den benötigten Kraftstoffdruck aufrecht erhalten zu können.
Die Rollenzellenpumpe selbst besteht aus einem zylindrischen Hohlraum, in dem eine exzentrisch angeordnete Läuferscheibe rotiert. Diese ist mit Metallrollen versehen, die in taschenförmigen Aussparungen an ihrem Umfang gelagert sind.
Die Rollen werden bei der Rotation der Läuferscheibe durch die Zentrifugalkraft nach außen gepreßt und wirken als umlaufende Dichtung. Eine Pumpwirkung kommt dadurch zustande, daß durch die umlaufenden Dichtrollen am Kraftstoffeintritt ein sich periodisch vergrößerndes und am Kraftstoffaustritt ein sich periodisch verkleinerndes Volumen entsteht.
Beim Starten läuft die Pumpe, solange der Startschalter betätigt wird. Ist der Motor angesprungen, so bleibt die Pumpe eingeschaltet. Mit einer Sicherheitsschaltung wird vermieden, daß bei eingeschalteter Zündung und stehendem Motor (z.B. Unfall) Kraftstoff gefördert wird.
Die Kraftstoffpumpe ist wartungsfrei und wird in unmittelbarer Nähe des Kraftstofftanks angebracht.
In der Regel erreicht die Kraftstoffpumpe die Lebensdauer des Fahrzeugs. Tankseitig ist der Kraftstoffpumpe ein feines Sieb vorgeschaltet, welches das Eindringen gröberer Partikel (z.B. Rost) in die Kraftstoffpumpe verhindert. Ist dieses Vorsieb beschädigt, kann dies zum Blockieren der Rollenzellen und in Folge zum Durchbrennen des Motors führen.
Die Saugleistung der Kraftstoffpumpe (Pumpeneingang) ist im Verhältnis zur Druckseite (Pumpenausgang) wesentlich schwächer. Der saugseitige Unterdruck beträgt etwa 0,3 ... 0,6 bar. Daher kann auch ein stark verschmutztes Vorsieb für eine verminderte Fördermenge und einen zu geringen Druckaufbau der Kraftstoffpumpe verantwortlich sein.
Ein defektes Rückschlagventil macht sich durch Startschwierigkeiten bemerkbar, da sich der Kraftstoffdruck nach Abschalten der Kraftstoffpumpe sehr schnell abbaut.
Aufbau der Elektrokraftstoffpumpe
| 1 Saugseite 2 Druckbegrenzer 3 Rollenzellenpumpe 4 Motoranker 5 Rückschlagventil 6 Druckseite |
|
Pumpvorgang der Rollenzellenpumpe
| 1 Saugseite 2 Läuferscheibe 3 Rolle 4 Pumpengehäuse 5 Druckseite |
|
Kraftstofffilter
Das Kraftstofffilter hält feinste Verunreinigungen im Kraftstoff zurück, die das Feinsieb vor der Kraftstoffpumpe passieren konnten.
Das Filter enthält einen Papiereinsatz mit einer mittleren Porengröße von 10 µm, dahinter ein Sieb, welches eventuell losgelöste Papierteilchen zurückhält. Die auf dem Filter angegebene Durchflußrichtung muß deshalb unbedingt eingehalten werden. Eine Stützplatte fixiert das Filter im Gehäuse. Das Filtergehäuse besteht aus Metall.
Das Filter wird als Ganzes ausgewechselt, die Standzeit ist von der Verschmutzung des Kraftstoffes abhängig und beträgt je nach Filtervolumen zwischen 30.000 und 80.000 km. Das Wechselintervall kann deutlich geringer sein, wenn sich bereits starker Rost im Kraftstoffbehälter gebildet hat oder dieser (wie bei Opel nicht selten) unbemerkt an der Tankoberseite durchrostet und auf diesem Weg Schmutz in den Tank gelangt. Sind keine besonderen Umstände für einen vorzeitig ratsamen Filterwechsel vorhanden, ist für das Wechselintervall die Wartungsvorschrift des Fahrzeugherstellers maßgebend.
Ein weitgehend zugesetzter Kraftstofffilter macht sich durch Leistungsverlust und/oder Ruckeln - vor allem bei hohen Drehzahlen und hoher Last - bemerkbar, da der Kraftstoffdruck absinkt. Begleiterscheinungen sind oft ein lauteres Laufgeräusch der Kraftstoffpumpe und deren abnormale Erwärmung durch den durch die Zusetzung des Filters entstandenen Gegendruck.
Ein zugesetzter Kraftstofffilter kann zu schweren Motorschäden durch die deswegen verursachte Gemischabmagerung führen!
| 1 Papierfilter 2 Sieb 3 Stützplatte |
|
Druckregler
Der Druckregler regelt den Druck im Kraftstoffsystem.
Am Ende des Verteilerrohres ist der Druckregler angebracht. Der Druckregler ist ein membrangesteuerter Überströmdruckregler, der den Kraftstoffdruck je nach Anlage auf 2,5 bis 3 bar regelt.
|
Er besteht aus einem Metallgehäuse, das durch eine eingebördelte Membran in zwei Räume geteilt ist: eine Federkammer zur Aufnahme der die Membran belastenden vorgespannten Schraubenfeder und die Kammer für den Kraftstoff. Bei Überschreiten des eingestellten Druckes gibt ein von der Membran betätigtes Ventil die Öffnung für die Rücklaufleitung frei, wodurch der überschüssige Kraftstoff drucklos zum Kraftstoffbehälter zurückfließen kann. Die Federkammer des Druckreglers ist über eine Leitung mit dem Sammelsaugrohr des Motors hinter der Drosselklappe verbunden. Dies bewirkt, daß der Druck im Kraftstoffsystem vom absoluten Druck im Saugrohr abhängt, der Druckabfall über die Einspritzventile also bei jeder Drosselklappenstellung gleich ist. |
1 Kraftstoffanschluß 2 Rücklaufanschluß 3 Ventilplatte 4 Ventilträger 5 Membran 6 Druckfeder 7 Saugrohranschluß |
|
Verteilerrohr (Rail)
Das Verteilerrohr, heute sehr oft auch als "Rail" bezeichnet, gewährleistet einen gleichen Kraftstoffdruck an allen Einspritzventilen.
Das Verteilerrohr hat eine Speicherfunktion. Sein Volumen ist gegenüber der pro Arbeitszyklus des Motors eingespritzten Kraftstoffmenge groß genug, um Druckschwankungen zu verhindern.
Die an das Verteilerrohr angeschlossenen Einspritzventile stehen dadurch unter gleichem Kraftstoffdruck. Außerdem ermöglicht das Verteilerrohr eine unkomplizierte Montage der Einspritzventile.
| 1 Kraftstoffzulauf 2 Verteilerrohr 3 Anschluß für das Kaltstartventil 4 Druckregler 5 Rücklauf 6 Einspritzventile |
|
Einspritzventil
Die Einspritzventile spritzen den Kraftstoff in die Einzelsaugrohre der Zylinder direkt vor die Einspritzventile des Motors.
Jedem Motorzylinder ist ein Einspritzventil zugeordnet. Die Einspritzventile werden elektromagnetisch betätigt und durch elektrische Impulse vom Steuergerät geöffnet und geschlossen.
Das Einspritzventil besteht aus einem Ventilkörper und der Düsennadel mit aufgesetztem Magnetanker. Der Ventilkörper enthält die Magnetwicklung und die Führung für die Düsennadel.
Bei stromloser Magnetwicklung wird die Düsennadel durch eine Schraubenfeder auf ihren Dichtsitz am Ventilauslaß gedrückt.
|
Wird der Magnet erregt, so wird die Düsennadel um etwa 0,1 mm vom Sitz abgehoben und der Kraftstoff kann durch einen kalibrierten Ringspalt austreten. Das vordere Ende der Düsennadel enthält zur Zerstäubung des Kraftstoffs einen Spritzzapfen mit Anschliff. Anzugs- und Abfallzeit des Ventils liegen bei 1 bis 1,5 ms. Um eine gute Kraftstoffverteilung bei geringen Kondensationsverlusten zu erreichen, muß eine Benetzung der Saugrohrwandung vermieden werden. Ein bestimmter Spritzwinkel in Verbindung mit einem bestimmten Abstand des Einspritzventils vom Einlaßventil muß deshalb motorspezifisch eingehalten werden. Der Einbau der Einspritzventile erfolgt über spezielle Halterungen, die Lagerung der Einspritzventile in den Halterungen erfolgt in Gummi-Formteilen. Die dadurch erfolgte Wärmeisolation verhindert Dampfblasenbildung und gewährleistet ein gutes Heißstartverhalten. Außerdem wird das Ventil durch die Gummihalterung vor zu hoher Schüttelbeanspruchung geschützt. |
1 Filter 2 Magnetwicklung 3 Magnetanker 4 Düsennadel 5 elektrischer Anschluß |
|
Gemischbildung
Die Gemischbildung erfolgt im Saugrohr und im Zylinder des Motors.
Die vom Einspritzventil abgespritzte Kraftstoffmenge wird vor das Einlaßventil gespritzt.
|
Beim Öffnen des Einlaßventils reißt die angesaugte Luftmenge die Kraftstoffwolke mit und bewirkt durch Verwirbelung während des Ansaugtaktes die Bildung eines zündfähigen Gemisches. Die nebenstehende Abbildung zeigt die Wichtigkeit eines korrekten Einspritzstrahles für die optimale Gemischbildung. Ein beschädigtes oder verkoktes Einspritzventil, das einen fehlerhaften Einspritzstrahl liefert oder nachtropft, kann unruhigen Motorlauf verursachen. Im Extremfall kann eine für den Motor gefährliche Gemischabmagerung eintreten, ebenso wie eine zu starke Anfettung Gemisches für mangelnde Zündfähigkeit und damit Zündaussetzer verantwortlich sein kann. |
|
Komponenten der L-Jetronic
| 1 Luftmengenmesser 2 Steuergerät 3 Kraftstofffilter 4 Kraftstoffpumpe 5 Kraftstoffdruckregler 6 Zusatzluftschieber 7 Thermozeitschalter 8 Temperaturfühler 9 Drosselklappenschalter 10 Kaltstartventil 11 Einspritzventile |
|
Steuersystem
Grundsätzlich funktioniert die Einspritzanlage nach dem EVA-Prinzip: Eingabe-Verarbeitung-Ausgabe.
Mit Meßfühlern (Sensoren) wird der Betriebszustand des Motors erfaßt und in Form elektrischer Signale in das Steuergerät eingegeben. Meßfühler und Steuergerät bilden das Steuersystem.
| Eingangsgrößen: QL: angesaugte
Luftmenge Versorgung: UB: Bordnetzspannung Ausgangsgrößen: VE: eingespritzte Kraftstoffmenge |
|
Meßgrößen und Betriebszustand
Die den Betriebszustand des Motors kennzeichnenden Meßgrößen können nach folgendem Schema unterschieden werden:
| Hauptmeßgrößen | Meßgrößen zur Anpassung | Meßgrößen zur Feinanpassung | ||
|
Aus ihnen wird die Luftmenge pro Hub bestimmt, welche als direktes Maß für den Lastzustand des Motors gilt.
|
- Kaltstart Die Erfassung von Kaltstart und Warmlauf erfolgen über Meßfühler, welche die Motortemperatur dem Steuergerät mitteilen. Zur Anpassung an verschiedene Lastzustände wird dem Steuergerät über den Drosselklappenschalter der Lastbereich (Leerlauf, Teillast, Vollast) mitgeteilt.
|
- das Übergangsverhalten beim Beschleunigen' erfolgt durch die bereits erwähnten Meßfühler. Die Signale dieser Meßfühler stehen bei diesen Betriebsbereichen in bestimmtem Zusammenhang zueinander. Diese Zusammenhänge werden vom Steuergerät erkannt und beeinflussen die Steuersignale der Einspritzventile entsprechend.
|
Zusammenwirkung der Meßgrößen
Alle Meßgrößen zusammen werden vom Steuergerät in der Weise ausgewertet, daß der Motor stets mit der für den augenblicklichen Betriebsfall notwendigen Kraftstoffmenge versorgt wird. Dadurch wird ein optimales Fahrverhalten erreicht.
Drehzahlerfassung
Die Information über Drehzahl und Einspritzzeitpunkt wird bei kontaktgesteuerten Zündanlagen vom Unterbrecherkontakt im Zündverteiler, bei kontaktlos gesteuerten Zündanlagen von der Zündspule, Klemme 1, an das Steuergerät der L-Jetronic geliefert.
| n: Motordrehzahl 1: Zündverteiler 2: Steuergerät Impulsverarbeitung: Die von der Zündanlage gelieferten Impulse werden im Steuergerät aufbereitet. Sie durchlaufen dabei zunächst einen Impulsformer, der aus dem in Form gedämpfter Schwingungen "angelieferten" Signal Rechteckimpulse bildet. Diese Rechteckimpulse werden einem Frequenzteiler zugeführt. |
|
Der Frequenzteiler teilt die durch die Zündfolge gegebene Impulsfrequenz in der Weise, daß unabhängig von der Zylinderzahl je Arbeitsspiel zwei Impulse entstehen.
Der Impulsbeginn ist gleichzeitig der Einspritzbeginn für die Einspritzventile. Pro Kurbelwellenumdrehung spritzt also jedes Einspritzventil einmal, und zwar unabhängig von der Stellung des Einlaßventils.
Bei geschlossenem Einlaßventil wird der Kraftstoff vorgelagert und beim nächsten Öffnen des Einlaßventiles zusammen mit der Luft in den Verbrennungsraum gesaugt. Die Einspritzdauer ist von der Luftmenge und der Drehzahl abhängig.
Luftmengenmessung
Die vom Motor angesaugte Luftmenge ist ein Maß für dessen Lastzustand.

Die gesamte, vom Motor angesaugte Luftmenge wird gemessen und dient als Hauptmeßgröße für die Kraftstoffzuteilung. Die durch die Luftmengenmessung und die Drehzahl ermittelte Kraftstoffmenge wird als Kraftstoffgrundmenge bezeichnet.
Die Luftmengenmessung erfaßt alle motorischen Änderungen, die während der Lebensdauer des Fahrzeugs auftreten können wie beispielsweise Verschleiß, Ablagerungen im Brennraum, Änderung der Ventileinstellung.
Da die angesaugte Luftmenge erst den Luftmengenmesser passieren muß, bevor sie in den Motor gelangt, eilt das Signal des Luftmengenmessers beim Beschleunigen der tatsächlichen Luftfüllung der Zylinder zeitlich voraus. Dadurch, daß damit schon vorzeitig mehr Kraftstoff zugeteilt wird, ergibt sich eine erwünschte Beschleunigungsanreicherung.
Luftmengenmesser
Das Meßprinzip beruht auf der Messung der Kraft, die von der Strömung der angesaugten Luft entgegen der Rückstellkraft einer Feder auf eine Stauklappe wirkt.
Die Klappe wird so ausgelenkt, daß zusammen mit dem Profil des Meßkanals der freie Querschnitt mit zunehmender Luftmenge immer größer wird.
| 1 Drosselklappe 2 Luftmengenmesser 3 Steuergerät 4 Luftfilter QL: angesaugte Luftmenge |
|
Die Änderung des freien Luftmengenmesserquerschnittes in Abhängigkeit von der Stauklappe wurde so gewählt, daß sich ein logarithmischer Zusammenhang zwischen Stauklappenwinkel und angesaugter Luftmenge ergibt.
Man erreicht dadurch, daß bei kleinen Luftmengen, bei denen eine hohe Genauigkeit gefordert wird, die Empfindlichkeit des Luftmengenmessers groß ist.
Luftmengenmesser (Luftseite):
| 1 Kompensationsplatte 2 Dämpfungsvolumen 3 Bypass 4 Stauklappe 5 Leerlauf-Gemisch-Einstellschraube (Bypass) |
|
Luftmengenmesser (Anschlußseite):
| 1 Zahnkranz für Federvorspannung 2 Rückholfeder 3 Schleiferbahn 4 Keramikplatte mit Widerständen und Leitungszügen 5 Schleiferabgriff 6 Schleifer 7 Pumpenkontakt |
|
Damit die durch die Saughübe der einzelnen Zylinder angeregten Schwingungen im Ansaugsystem nur einen geringen Einfluß auf die Stellung der Stauklappen haben, ist eine Kompensationsklappe fest mit der messenden Stauklappe verbunden.
Die Druckschwingungen wirken dabei gleichermaßen auf Stauklappe und Kompensationsklappe. Die ausgeübten Momente heben sich dabei auf, so daß die Messung nicht beeinflußt wird.
Die Winkelstellung der Stauklappe wird von einem Potentiometer in eine elektrische Spannung umgesetzt. Das Potentiometer ist so abgeglichen, daß sich ein umgekehrt proportionaler Zusammenhang zwischen Luftmenge und abgegebener Spannung ergibt.
|
Damit Alterung und Temperaturgang des Potentiometers keinen Einfluß auf die Genauigkeit haben, werden im Steuergerät nur Widerstandsverhältnisse ausgewertet. Zur Einstellung des Gemischverhältnisses im Leerlauf ist ein einstellbarer Bypass vorgesehen, über den eine geringe Luftmenge die Stauklappe umgeht. Die Grafik zeigt die Zusammenhänge zwischen Luftmenge, Klappenwinkel, Potentiometerspannung und eingespritztem Kraftstoff. Geht man von einer bestimmten, durch den Luftmengenmesser strömenden Luftmenge QL aus (Punkt Q), so ergibt sich die theoretisch benötigte Kraftstoffmenge QK (Punkt D). Außerdem stellt sich in Abhängigkeit von der Luftmenge ein bestimmter Klappenwinkel α ein (Punkt A). Das von der Stauklappe betätigte Potentiometer liefert ein Spannungssignal US an das Steuergerät (Punkt B). Vom Steuergerät werden die Einspritzventile angesteuert, wobei der Punkt C die eingespritzte Kraftstoffmenge VE darstellt. Man erkennt, daß die praktisch eingespritzte und die theoretisch notwendige Kraftstoffmenge gleich sind (Linie C-D). |
|
Kaltstart
Abhängig von der Motortemperatur wird während des Startens zeitlich begrenzt eine zusätzliche Menge Kraftstoff eingespritzt.
Beim Kaltstart entstehen Kondensationsverluste des Kraftstoffanteils im angesaugten Gemisch. Um dies auszugleichen und das Anspringen des kalten Motors zu erleichtern, muß im Moment des Startens zusätzlich Kraftstoff eingespritzt werden. Das Einspritzen dieser zusätzlichen Kraftstoffmenge erfolgt in Abhängigkeit von der Motortemperatur zeitlich begrenzt.
Der beschriebene Vorgang wird Kaltstartanreicherung genannt. Bei der Kaltstartanreicherung wird das Gemisch "fetter", d.h. die Luftzahl ist vorübergehend kleiner als 1.
Die Kaltstartanreicherung kann auf zweierlei Methoden erfolgen: durch die Startsteuerung mittels Steuergerät und Einspritzventilen oder durch einen Thermozeitschalter und ein Kaltstartventil.
Startsteuerung
Durch Verlängerung der Einspritzdauer der Einspritzventile wird während der Startphase mehr Kraftstoff eingespritzt. Die Startsteuerung wird im Steuergerät durch die Auswertung der Signale vom Startschalter und dem Motortemperaturfühler veranlaßt. Aufbau und Wirkungsweise des Temperaturfühlers sind im Kapitel "Warmlauf" beschrieben.
| 1 Motortemperaturfühler 2 Steuergerät 3 Einspritzventile 4 Zünd-Startschalter |
|
Kaltstartventil
Das Kaltstartventil wird elektromagnetisch betätigt. Im Ventil ist die Wicklung eines Elektromagneten untergebracht. In Ruhestellung wird der bewegliche Anker des Elektromagneten von einer Feder gegen eine Dichtung gepreßt und verschließt damit das Ventil.
Wird der Elektromagnet erregt, so gibt der nunmehr vom Sitz abgehobene Magnetanker den Kraftstoffdurchfluß frei.
| 1 Kaltstartventil 2 Thermozeitschalter 3 Relaiskombination 4 Zünd-Startschalter |
|
Der Kraftstoff gelangt nun tangential in eine Düse, wo er in Rotation versetzt wird. Durch diese Form der Düse - eine so genannte Dralldüse - wird der Kraftstoff besonders fein zerstäubt und reichert die Luft im Sammelsaugrohr hinter der Drosselklappe mit Kraftstoff an.
| 1 Kraftstoffzulauf 2 elektrischer Anschluß 3 Magnetanker 4 Magnetwicklung 5 Dralldüse |
|
Thermozeitschalter
Der Thermozeitschalter begrenzt die Spritzzeit des Kaltstartventils in Abhängigkeit von der Motortemperatur.
Der Thermozeitschalter besteht aus einem elektrisch beheizten Bimetallstreifen, der in Abhängigkeit seiner Temperatur einen Kontakt öffnet oder schließt. Er ist in einem hohlen Gewindebolzen untergebracht, der an einer für die Motortemperatur charakteristischen Stelle befestigt ist.
| 1 elektrischer Anschluß 2 Gehäuse 3 Bimetall 4 Heizwicklung 5 Schaltkontakt |
|
Der Thermozeitschalter bestimmt die Einschaltdauer des Kaltstartventils. Die Einschaltdauer ist dabei abhängig von der Erwärmung des Thermozeitschalters durch die Motorwärme, die Umgebungstemperatur und durch die in ihm selbst befindliche elektrische Heizung.
Diese Eigenheizung ist erforderlich, um die maximale Einschaltdauer des Kaltstartventils zu begrenzen, damit der Motor nicht zu stark angereichert wird und "ersäuft".
Beim Kaltstart ist für die Bemessung der Einschaltdauer hauptsächlich die elektrische Heizung maßgeblich (Abschaltung bei - 20°C nach ca. 8 Sekunden), während bei betriebswarmem Motor der Thermozeitschalter durch die Motorwärme so weit erwärmt wird, daß er ständig geöffnet ist.
Beim Starten eines betriebswarmen Motors wird daher keine Startmehrmenge über das Kaltstartventil eingespritzt.
Warmlauf
Während des Warmlaufs erhält der Motor mehr Kraftstoff zugeteilt.
Verlauf der Warmlaufanreicherung
|
An den Kaltstart schließt sich die Warmlaufphase des Motors an. Der Motor benötigt eine beträchtliche Warmlaufanreicherung, weil ein Teil des Kraftstoffs an den noch kalten Zylinderwandungen kondensiert. Außerdem würde sich ohne zusätzliche Kraftstoffanreicherung nach dem Wegfallen der vom Kaltstartventil eingespritzten zusätzlichen Kraftstoffmenge ein erheblicher Drehzahlabfall bemerkbar machen. Unmittelbar nach dem Start, z.B. bei - 20°C, muß, je nach Motortyp, zwei bis dreimal so viel Kraftstoff wie in betriebswarmem Zustand eingespritzt werden. |
|
In diesem ersten Teil der Warmlaufphase muß eine zeitabhängige Anreicherung, die so genannte Nachstartanhebung, erfolgen. Die erforderliche Dauer liegt bei etwa 30 Sekunden, die Anreicherung, je nach Temperatur, zwischen 30 % und 60% Mehrmenge.
| 1 Motortemperaturfühler 2 Steuergerät 3 Einspritzventile Nach Ablauf der Nachstartanhebung benötigt der Motor nur noch eine geringere Anreicherung, die über die Motortemperatur abgeregelt wird. Das Diagramm zeigt den typischen Verlauf der Anreicherung über der Zeit bei einer Starttemperatur von 20°C. Um diese Regelvorgänge auslösen zu können, muß dem Steuergerät die Motortemperatur mitgeteilt werden. Dies geschieht durch den Temperaturfühler. |
|
Temperaturfühler
Der Temperaturfühler besteht aus einem hohlen Gewindebolzen, in den ein NTC-Widerstand eingebettet ist. NTC bedeutet negativer Temperatur-Coeffizient und charakterisiert damit die Eigenschaft: der aus einem Halbleitermaterial hergestellte Widerstand verringert bei steigender Temperatur seinen elektrischen Widerstand. Diese Änderung des Ohm-Wertes wird als Meßgröße zur Anpassung vom Steuergerät herangezogen.
| 1 elektrischer Anschluß 2 Gehäuse 3 NTC-Widerstand Der Temperaturfühler wird bei wassergekühlten Motoren so in den Motorblock eingebaut, daß er vom Kühlwasser umspült wird und dessen Temperatur annimmt. Bei luftgekühlten Motoren wird der Temperaturfühler in den Zylinderkopf eingebaut. |
|
Leerlaufsteuerung
Während des Warmlaufs erhält der Motor durch den Einfluß eines Zusatzluftschiebers mehr Gemisch, um die erhöhte Reibung in kaltem Zustand zu überwinden und einen stabilen Leerlauf zu gewährleisten.
Bei kaltem Motor bestehen erhöhte Reibungswiderstände. Diese müssen vom Motor im Leerlauf zusätzlich überwunden werden. Deshalb läßt man durch den Zusatzluftschieber den Motor unter Umgehung der Drosselklappe mehr Luft ansaugen.
Da diese zusätzliche Luft vom Luftmengenmesser gemessen und bei der Kraftstoffzuteilung berücksichtigt wird, erhält der Motor insgesamt mehr Gemisch. Dadurch wird bei kaltem Motor eine Leerlaufstabilisierung erreicht.
Zusatzluftschieber
| 1 Lochblende 2 Bimetall 3 elektrische Heizung 4 elektrischer Anschluß |
|
Im Zusatzluftschieber steuert eine Lochblende, durch eine Bimetallfeder betätigt, den Querschnitt der Umgehungsleitung.
Der Öffnungsquerschnitt dieser Lochblende stellt sich in Abhängigkeit von der Temperatur so ein, daß beim Kaltstart ein entsprechend großer Querschnitt freigegeben wird, der bei zunehmender Motortemperatur jedoch stetig verringert und schließlich geschlossen wird.
Das Bimetall wird elektrisch beheizt. Dadurch kann eine Begrenzung der Öffnungszeit, je nach Motortyp, erreicht werden. Der Einbauort des Zusatzluftschiebers ist so gewählt, daß er die Temperatur des Motors annimmt. Dadurch ist gewährleistet, daß bei warmem Motor der Zusatzluftschieber nicht in Aktion tritt.
Lastanpassung
Unterschiedliche Lastbereiche erfordern unterschiedliche Gemischzusammensetzungen. Die Kraftstoffbedarfskennlinie wird für alle Betriebsbereiche motorspezifisch durch die Kennlinie des Luftmengenmessers bestimmt.
Leerlauf
| 1 Drosselklappe 2 Luftmengenmesser 3 Zusatzluftschieber 4 Leerlaufgemisch-Einstellschraube |
|
Bei zu magerem Gemisch im Leerlauf kann es zu Verbrennungsaussetzern und damit unrundem Lauf des Motors kommen. Wenn nötig, reichert man deshalb das Gemisch in diesem Betriebszustand etwas an.
Zur Einstellung des Gemischverhältnisses im Leerlauf ist im Luftmengenmesser ein einstellbarer Bypass vorgesehen, über den eine geringe Luftmenge die Stauklappe umgeht.
Teillast
Die weitaus meiste Zeit wird der Motor im Teillastbereich betrieben. Die Kraftstoffbedarfskennlinie für diesen Bereich ist im Steuergerät programmiert und bestimmt die Kraftstoffzuteilung.
Sie ist so ausgelegt, daß der Motor im Teillastbereich einen niedrigen Kraftstoffverbrauch aufweist.
Vollast
Bei Vollast muß der Motor seine höchste Leistung abgeben. Dies wird erreicht, wenn das Gemisch gegenüber der Zusammensetzung im Teillastbereich angereichert ist. Die Höhe der Anreicherung wird motorspezifisch im Steuergerät programmiert.
Die Information über den Lastzustand "Vollast" erhält das Steuergerät vom Drosselklappenschalter.
Drosselklappenschalter
| 1 Volllastkontakt 2 Schaltkulisse 3 Drosselklappenwelle 4 Leerlaufkontakt |
|
Der Drosselklappenschalter wird am Saugrohr befestigt und durch die Drosselklappenwelle betätigt. In den Einstellungen "Vollast" und "Leerlauf" wird jeweils ein Kontakt geschlossen.
Beschleunigung
Während dem Beschleunigen wird zusätzlich Kraftstoff eingespritzt.
Bei Übergängen von einem Betriebszustand in einen anderen ergeben sich Gemischabweichungen, die zu einer Verbesserung des Fahrverhaltens korrigiert werden.
| 1 Drosselklappe 2 Drosselklappenschalter 3 Steuergerät |
|
Wird bei konstanter Drehzahl die Drosselklappe plötzlich geöffnet, so durchströmt den Luftmengenmesser sowohl die Luftmenge, die in die Brennräume gelangt, als auch die Luftmenge, die erforderlich ist, um den Druck im Saugrohr auf das höchste Niveau anzuheben.
Die Stauklappe schwingt dadurch kurzzeitig über die Stellung bei voller Drosselklappenöffnung hinaus. Dieses Überschwingen bewirkt eine höhere Kraftstoffzuteilung (Beschleunigungsanreicherung), mit der ein gutes Übergangsverhalten erzeugt wird.
Während der Warmlaufphase kann diese Beschleunigung nicht ausreichen. In diesem Betriebszustand wird zusätzlich die Geschwindigkeit, mit der die Luftklappe im Luftmengenmesser ausschlägt, über das elektrische Signal im Steuergerät ausgewertet.
Lufttemperaturanpassung
Die eingespritzte Kraftstoffmenge wird der Lufttemperatur angepaßt.
Die für die Verbrennung maßgebende Luftmasse ist von der Temperatur der angesaugten Luftmenge abhängig. Kalte Luft ist dichter. Dies bedeutet, daß bei gleicher Drosselklappenstellung die Zylinderfüllung mit zunehmender Lufttemperatur schlechter wird.
Zur Erfassung dieses Effekts ist im Ansaugkanal des Luftmengenmessers ein Temperaturfühler angebracht, der die Temperatur der angesaugten Luft dem Steuergerät meldet, welches die zugeteilte Kraftstoffmenge entsprechend steuert.
Steuergerät
|
Das Steuergerät wertet als zentrale Einheit die von den Sensoren gelieferten Daten über den Betriebszustand des Motors aus. Es bildet daraus Steuerimpulse für die Einspritzventile, wobei die Menge des abzuspritzenden Kraftstoffes über die Öffnungsdauer der Einspritzventile bestimmt wird. Je nach Umfang der Steuerelektronik sind ein oder zwei Leiterplatten auf einen Leichtmetallrahmen montiert. Die nebenstehende Abbildung zeigt ein Steuergerät mit drei integrierten Schaltkreisen (IC). Diese bilden den Hauptumfang der Gesamtschaltung. Jeder IC hat auf einem 3 - 5 mm2 Siliciumplättchen 60 - 120 integrierte Halbleiterelemente. Darüber hinaus enthält das Steuergerät etwa 100 - 300 "diskrete" Bauelemente, was bedeutet, daß weitere Bauelemente in Einzelbauweise wie Festwiderstände, Kondensatoren, Spulen, Dioden und Transistoren hinzukommen. Das Steuergerät ist an die einzelnen Motortypen dahingehend angepaßt, daß bestimmte Widerstände |
|
entsprechend abgeglichen sind. Ein- und Ausgabeleitungen sind in einem Zentralstecker zum Kabelbaum zusammengefaßt. Das Steuergerät ist verpol- und kurzschlußsicher.
Elektrische Schaltung
Die Gesamtschaltung der L-Jetronic ist so ausgelegt, daß sie über nur eine Trennstelle an das Bordnetz des Fahrzeugs angeschlossen ist.
An dieser Trennstelle befindet sich die Relaiskombination, welche vom Zündstartschalter gesteuert wird und die Bordnetzspannung zum Steuergerät und den anderen Komponenten der Jetronic durchschaltet.
Die Ralaiskombination verfügt über zwei getrennte Steckverbindungen zum Bordnetz und zur Jetronic.
Sicherheitsschaltung
Um zu verhindern, daß bei Unfällen die Elektrokraftstoffpumpe weiter Kraftstoff fördert, wird sie über eine Sicherheitsschaltung betrieben. Ein vom Luftmengenmesser bei Luftdurchsatz betätigter Schalter steuert die Relaiskombination, welche ihrerseits die Elektrokraftstoffpumpe schaltet. Kommt der Motor bei eingeschalteter Zündung zum Stehen, d.h. findet kein Luftdurchsatz mehr statt, dann wird die Stromversorgung zur Pumpe unterbrochen.
Während des Startvorganges wird die Relaiskombination in entsprechender Weise über Klemme 50 vom Zündstartschalter angesteuert. Beim Kabelbaum ist zu beachten, daß Klemme 88z der Relaiskombination direkt und ohne Sicherung mit Batterie + verbunden ist, um Störungen und Spannungseinbrüche durch Übergangswiderstände zu vermeiden.
Die Klemmen 5, 16, 17 des Steuergerätes sowie der Anschluß 49 des Temperaturfühlers sind mit getrennten Leitungen an einem gemeinsamen Massepunkt anzuschließen.